Quiz 7.1

DIRECTIONS: Read each question carefully. Then click on the dot next to the answer that most closely fits the question. Try to answer all questions on this quiz and when you are done, click on the grade me button at the bottom.


Coverage: Section 7.1
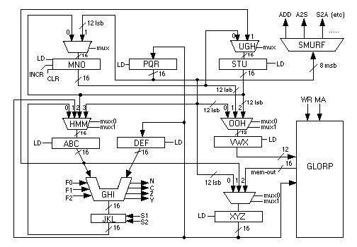
Questions 1 through 5 deal with the CSC-1 block diagram. The components have been given uninformative names. GIFs/csc_block.gif

  1. Which component is the accumulator?
ABC
DEF
GHI
XYZ

  1. Which component is a multiplexor?
VXW
SMURF
GLORP
UGH

  1. Which component is the decoder which "figures out" which operation the computer will do?
VXW
SMURF
GLORP
UGH

  1. How many wires come out of MNO?
1
2
8
16

  1. Which device doesn't actually store any data? It only processes data.
DEF
GHI
PQR
GLORP

  1. Which control wire tells a register to load in a new value and keep it?
mux
INCR
LD
CLR

  1. How many bits wide are most of the CSC-1's registers?
16
12
32
8

  1. Which kind of addressing does the CSC-1's memory use for integers?
byte-addressable
word-addressable
either
neither

  1. Which is the only register that is 12 bits wide?
TMP
ALU
MBR
MAR

  1. How many words does the CSC-1's memory have?
128
1024
4096
8192

  1. Which register contains the address of the next instruction in memory to be executed?
PC
IR
MBR
TMP

  1. How many bits wide is the opcode field in a CSC-1 instruction?
always 4
always 8
always 16
usually 4 but sometimes 8