Section 7.1
Review Questions

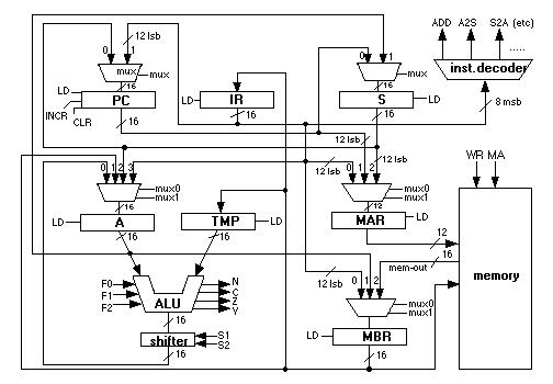
Architecture of the CSC-1

  1. To gain familiarity with the CSC-1's block architecture, fill in the empty boxes below with the names of the registers. Also identify the ALU, the shifter, the instruction decoder and the memory. You do not need to write in the names of the various muxes.
answer...
  1. What three control wires does a "super-register" have?
answer...
LD   -- load
CLR  -- clear
INCR -- increment
  1. How many bits wide are most of the registers in the CSC-1?
answer...
16 bits
  1. Which one register is not the same length as the others?
answer...
MAR (12 bits)
  1. How wide are the memory words?
answer...
16 bits
  1. How many words are there in the memory?
answer...
4096
  1. Is the CSC-1's memory byte-addressable? or word-addressable?
answer...
word-addressable
  1. How many bytes are in the CSC-1's memory?
answer...
4096 × 2 = 8192 bytes
  1. How long are the opcode and the operand fields of a CSC-1 instruction?
answer...
  1. Match the names of the registers to what they do.
          ________ holds address of next instruction that               A
                   will be executed                                     TMP
          ________ contains address of memory word to read              S
                   or write                                             PC
          ________ a place to hold memory addresses for indirect        IR
                   loads and stores                                     MAR
          ________ where the data to be written to memory is held       MBR
                   and where data being read from memory is first put
          ________ the second operand of arithmetic operations
          ________ the first operand of arithmetic operations and
                   where the result it put
          ________ holds the instruction currently being executed
answer...
          __PC____ holds address of next instruction that               A
                   will be executed                                     TMP
          __MAR___ contains address of memory word to read              S
                   or write                                             PC
          __S_____ a place to hold memory addresses for indirect        IR
                   loads and stores                                     MAR
          __MBR___ where the data to be written to memory is held       MBR
                   and where data being read from memory is first put
          __TMP___ the second operand of arithmetic operations
          __A_____ the first operand of arithmetic operations and
                   where the result it put
          __IR____ holds the instruction currently being executed