Section 8.7: An alternate organization (Frame 2)                     [prev][home][next]

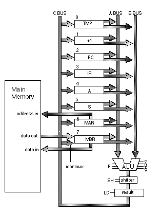
Fig. 8.7.1 shows a new design of registers and their interconnections that supports expansion. There are eight registers which are joined to three groups of wires, called buses. These buses funnel the data into the ALU for processing and collect the result for storing back into one of the registers. This data pathway from registers through the ALU/shifter and back to the registers is called the main data path and all instructions flow through it. For the sake of convenience in the discussion, we will dub this the CSC-2 computer.


Fig. 8.7.1: Alternative data path of the CSC-2