Section 8.7: An alternate organization (Frame 4)                     [prev][home][next]

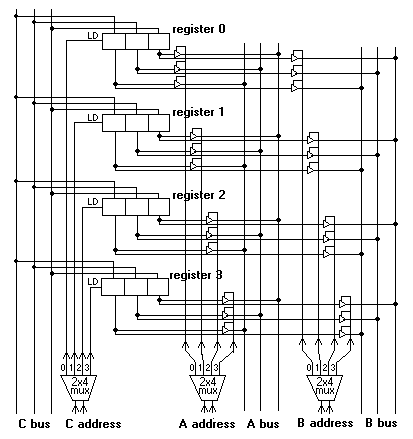
Fig. 8.7.2 shows a simplified version of this register/bus configuration. Four 3-bit registers are connected to two common buses. One bus is called the A bus and receives the output of one register. Another is the B bus while the C bus, is used to write a new value into one of the registers.


Fig. 8.7.2: Four 3-bit registers connected to two common buses

Tri-state buffers are used to electrically connect or disconnect the output wires from the registers to the wires of the A bus. The value on the decoder "decides" which register puts its value onto the bus, thereby assigning addresses to each register. In Fig. 8.7.2, one of the registers is 00, another is 01, another is 10 and the last is 11.